网站首页 美食营养 游戏数码 手工爱好 生活家居 健康养生 运动户外 职场理财 情感交际 母婴教育 生活知识 生活百科 知识问答 更多知识

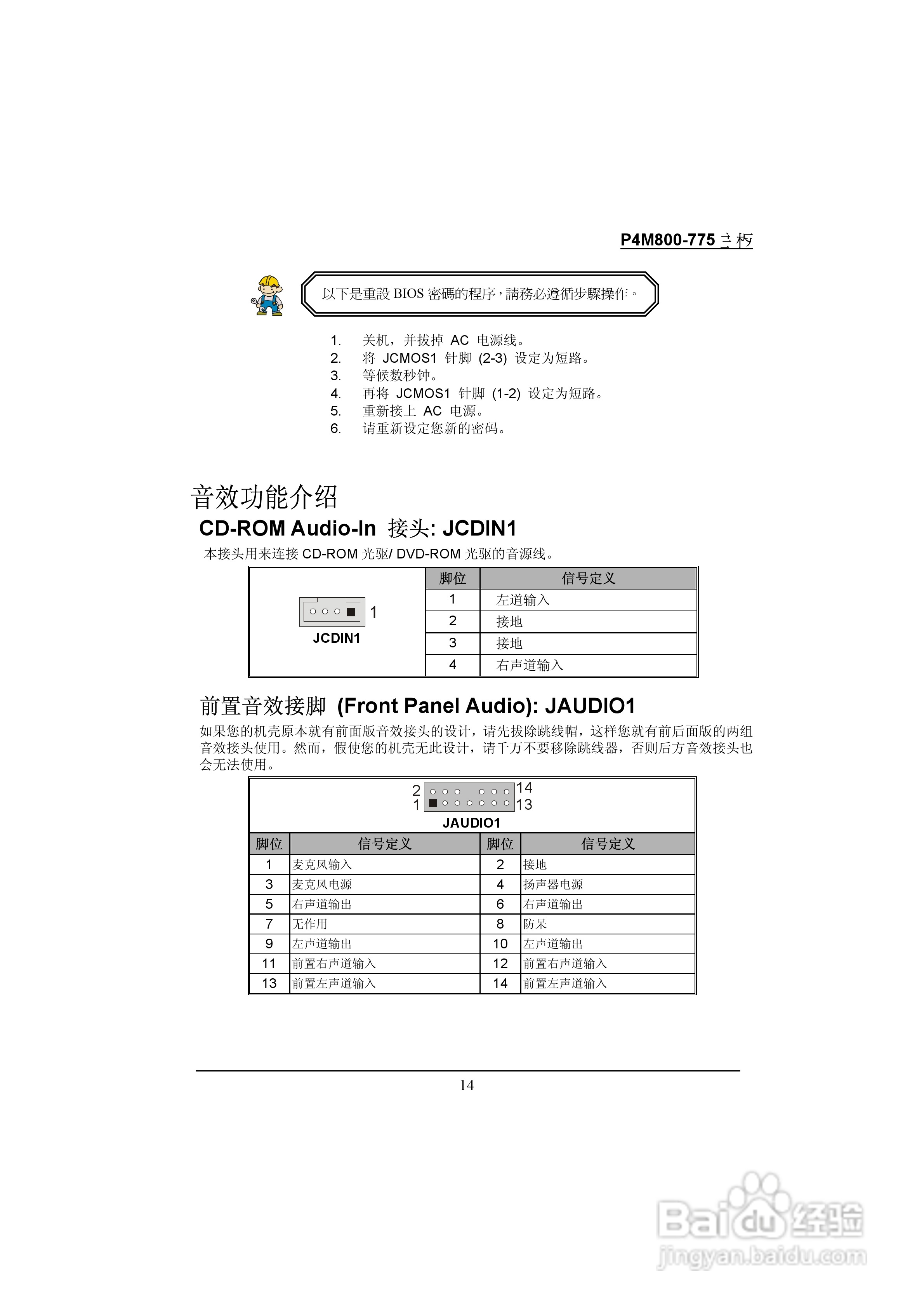
青云 P4M800-775主板说明书:[2]

时间:2026-04-26 21:48:54

本篇为《青云 P4M800-775主板说明书》,主要介绍该产品的使用方法以及常见故障解决方案。


青云 P4M800-775主板说明书:[2]

青云 P4M800-775主板说明书:[2]

青云 P4M800-775主板说明书:[2]

青云 P4M800-775主板说明书:[2]

青云 P4M800-775主板说明书:[2]

青云 P4M800-775主板说明书:[2]

青云 P4M800-775主板说明书:[2]

青云 P4M800-775主板说明书:[2]

青云 P4M800-775主板说明书:[2]

青云 P4M800-775主板说明书:[2]

(共篇)上一篇:|下一篇:
© 2026 一点知道
信息来自网络 所有数据仅供参考
有疑问请联系站长 site.kefu@gmail.com