DDS单相电子式电能表接线图可分为一进一出(单进单出)和二进二出(双进双出)两种接线方式。
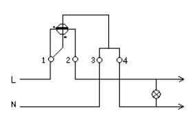
1、一进一出接线法

首先将电源相线(火线)接入在接线盒第一个孔接线端子上,出线接在接线盒的第二孔接线端子上,其次将电源中性线(零线)接入在接线盒的第三个孔的接线端子上,出线接在接线盒的第4孔接线端子上。
2、二进二出接线法

首先将电源的相线接入在接线盒的第一个孔的接线端子上,出线接在接线盒的第四个孔的接线端子上,其次将电源中性线接入在接线盒的第二孔接线端子上,出线接在接线盒的第三孔接线端子上。
两种方式的区别主要是端子盒内电压、电流的出入端子的排列位置不同,单相电表端子盒的接线端子应以“一孔一线”、“孔线对应”为原则,禁止在电能表端子盒端子孔内同时连接两根导线。
拓展资料:
电能表是用来测量电能的仪表,又称电度表,火表,千瓦小时表,指测量各种电学量的仪表。
使用电能表时要注意,在低电压(不超过500伏)和小电流(几十安)的情况下,电能表可直接接入电路进行测量。在高电压或大电流的情况下,电能表不能直接接入线路,需配合电压互感器或电流互感器使用。
参考资料:百度百科-电能表