网站首页 美食营养 游戏数码 手工爱好 生活家居 健康养生 运动户外 职场理财 情感交际 母婴教育 生活知识 知识问答

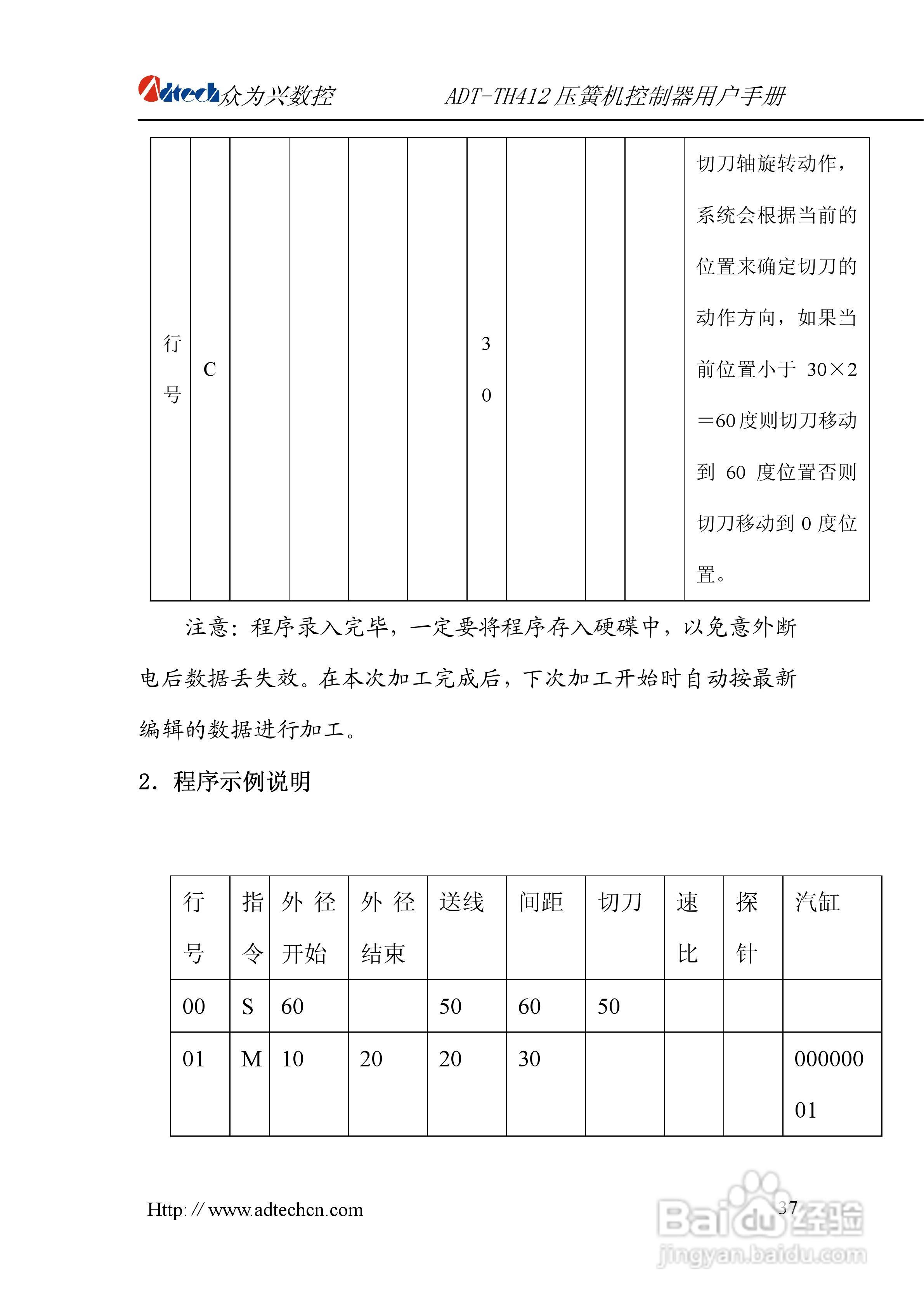
众为兴数控 ADT-TH412四轴电脑压簧机用户手册:[4]

时间:2024-11-08 02:13:11

本篇为《众为兴数控 钽吟篑瑜ADT-TH412四轴电脑压簧机用户手册》,主要介绍该产品的使用方法以及常见故障解决方案。

众为兴数控 ADT-TH412四轴电脑压簧机用户手册:[4]

众为兴数控 ADT-TH412四轴电脑压簧机用户手册:[4]

众为兴数控 ADT-TH412四轴电脑压簧机用户手册:[4]

众为兴数控 ADT-TH412四轴电脑压簧机用户手册:[4]

众为兴数控 ADT-TH412四轴电脑压簧机用户手册:[4]

众为兴数控 ADT-TH412四轴电脑压簧机用户手册:[4]

众为兴数控 ADT-TH412四轴电脑压簧机用户手册:[4]

众为兴数控 ADT-TH412四轴电脑压簧机用户手册:[4]

众为兴数控 ADT-TH412四轴电脑压簧机用户手册:[4]

众为兴数控 ADT-TH412四轴电脑压簧机用户手册:[4]

© 2026 一点知道
信息来自网络 所有数据仅供参考
有疑问请联系站长 site.kefu@gmail.com